Is the website displaying in the correct language? Please confirm or select a different language.
Your region has been set to Italy. Please confirm or select a different region.
RSBT Double Shear Beam Load Cells
- C3 precision class;
- Executed in nickel-plated steel with laser solderings;
- High precision and linearity also with non perpendicular loads;
- Optimised for parallel connection;
- IP68 protection degree;
- Capacity from 25000 to 40000kg;
- Shielded teflon connection cable;
- Test certificate available upon request.
CAPACITIES (kg): 25000, 30000, 40000.
OIML R60. C3 precision class.
Nickel-plated steel. IP68 protection.
Double shear beam load cells particularly suitable for weighing weighbridges, dosage systems, tanks, silos, etc., complete with support and oscillating spherical joint. CE-M approved.
Specifications
|
Minimum verification interval: Maximum number of load cell divisions: Full Scale Output: Temperature effect on full scale output: Tempeature effect on the zero: Compensated temperature range:
|
Operating temperature range: Creep error after 30 minutes: Excitation voltage: Input Resistance: Output Resistance: |
Zero Balance: Insulation resistance: Safe overload: Maximum overload: Shielded cable: |
Wiring Code
|
Wiring Code
|
|
| Colour |
Function
|
| -- |
SHIELD
|
| GREEN |
OUTPUT +
|
| RED |
INPUT +
|
| WHITE |
OUTPUT -
|
| BLACK |
INPUT -
|
ATEX Version
The CCATEX certificate makes the load cell suitable for use in hazardous areas with protection methods according to:
ATEX II 1G Ex ia IIC T6 (Ta -20÷+40°C) TX (Ta -20÷+65°C) Ga
ATEX II 1D Ex ta IIIC TX°C (Ta -20÷+40°C) TX°C (Ta -20÷+65°C) Da IP65
The certificate includes the manual and the ATEX CE conformity declaration (available in EN, DE, FR, and IT).
IMPORTANT: the certificate refers to the single load cell. For systems with more load cells, it is necessary to order one certificate for each load cell.
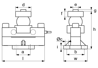
Dimensions

| Code | Max (kg) |
l |
w (mm) |
h (mm) |
a (mm) |
b (mm) |
c Ø | d Ø (mm) |
e Ø (mm) |
f (mm) |
g (mm) |
i (mm) |
|---|---|---|---|---|---|---|---|---|---|---|---|---|
RSBT25C3 ![]() |
25.000 | 240 | 135 | 225,5 | 80 | 100 | N°4 x M18 | 86 | 28 | 29 | 11 | 20 |
RSBT30C3 ![]() |
30.000 | 240 | 135 | 225,5 | 80 | 100 | N°4 x M18 | 86 | 28 | 29 | 11 | 20 |
RSBT40C3 ![]() |
40.000 | 240 | 135 | 225,5 | 80 | 100 | N°4 x M18 | 86 | 28 | 29 | 11 | 20 |
Resources/Downloads
Application Stories / Articles
| Title | View | Category | Type | |
|---|---|---|---|---|
| All Around Dini Argeo Weighing Solutions for Logistics and Warehouses | Pallet Truck Scales|Pallet Scales|Pallet Weighers|Electric Pallet Truck Scales|ATEX Pallet Truck Scales|Hygienic Pallet Truck Scales|Pallet Weighing|Weighing Forks|Hydraulic Weighing Kits|Counting Scales|Compact Scales|Axle Weighing Scales|In-Motion Axle Scales|Dynamic Axle Weighing|Platforms, Indicators and Accessories|High Resolution Load Cells|Off Center Load Cells|Bending Beam Load Cells|Shear Beam Load Cells|Double Shear Beam Load Cells|Compression Load Cells|Tension Load Cells|Column Load Cells|Mounting Kits|ATEX Load Cells|Hygienic Load Cells | Articles |
Parts
Available Versions
| Part # | Description | List Price | Cart/Quote | |
|---|---|---|---|---|
|
RSBT25C3 | Double shear beam approved load cell, C3, Max=25000kg. Nickel-plated steel, IP68 protection degree, 700 Ohm output resistance. |
Consult |
|
|
RSBT30C3 | Double shear beam approved load cell, C3, Max=30000kg. Nickel-plated steel, IP68 protection degree, 700 Ohm output resistance. |
Consult |
|
|
RSBT40C3 | Double shear beam approved load cell, C3, Max=40000kg. Nickel-plated steel, IP68 protection degree, 700 Ohm output resistance. |
Consult |
Options
Options for ATEX Version
| Part # | Description | List Price | Cart/Quote | |
|---|---|---|---|---|
|
ZBA1S | Intrinsic protection three channel Zener barrier. Specific for connection to load cells, for mounting on DIN rail in a safe area, or in a flame-proof case. Marking: ATEX/IECEx II (1) GD [Ex ia Ga] IIC [Ex ia Da] IIIC. Provided with safety instructions and the ATEX EU declaration of conformity (EN, DE, FR, ES and IT). |
Consult |
|
|
KZBA-1 | ATEX ABS housing kit with Zener Barrier ZBA1S for load cells. For intrinsically safe weighing systems in a dangerous zone. Dimensions 179x359x166,5mm. Marking of housing + Zener Barrier ZBA1S: ATEX II 3(1)G Ex nA [ia Ga] IIC T4 Gc X for gas, ATEX II 3(1)D Ex tc [ia Da] IIIC T135°C Dc IP66 X for dust. Provided with safety instructions and the ATEX EU declaration of conformity (EN and IT). |
Consult |
|
|
JB4QAI | ATEX equalisation box made of stainless steel IP66 for up to 4 cells. 4 + 1 fairleads. Marking: ATEX II 2G Ex ib IIC T6 Gb for gases, ATEX II 2D Ex tb IIIC T115°C Db IP65 for dusts. Provided with safety instructions and the ATEX EU declaration of conformity (EN, DE, FR, ES and IT). |
Consult |
|
|
JB4QA | ATEX equalisation box made of ABS IP67, for up to 4 cells. 4 + 1 fairleads. Marking: ATEX II 2G Ex ib IIC T6 Gb for gases, ATEX II 2D Ex tb IIIC T115°C Db IP65 for dust. Provided with safety instructions and the ATEX EU declaration of conformity (EN, DE, FR, ES and IT). |
Consult |
|
|
EXCB6 | Blue shielded cable 6x0.22 mm², only for EX i (2GD) assemblies. PVC inner sheath. Tinned copper braid shielding. Polyurethane outer sheath, diameter 5.8 mm. Temperature range: -40 / +80 °C. Minimum bending radius >/= 7 x O.D. €/m. Maximum orderable length: 100 m (longer lengths available only upon request). |
Consult |
|
|
KMB4-1 | Kit of 3 ATEX Zener barriers for load cells, in an ABS box. For up to 4 load cells of 350 ohm, for intrinsic protection weighing systems in a dangerous area. Marking of the whole box with three Zener barriers: ATEX II 3(1)G Ex nA [ia Ga] IIC T4 Gc (-20°C = Ta = +40°C) for gas, ATEX II 3(1)D Ex tb [ia Da] IIIC T130°C Dc IP65 (-20°C = Ta = +40°C) for dusts. Provided with safety instructions and the ATEX EU declaration of conformity (EN and IT). |
Consult |
|
|
CCATEX-1 | Optional ATEX version for single load cell. Marking: ATEX II 1G Ex ia IIC T6 (Ta -20÷+40°C) TX (Ta -20÷+65°C) Ga and ATEX II 1D Ex ta IIIC TX°C (Ta -20÷+40°C) TX°C (Ta -20÷+65°C) Da IP65. Provided with safety instructions and the ATEX EU declaration of conformity (EN, DE, FR, ES and IT). |
Consult |
|
|
CCATEX3GD | ATEX certificate for each load cell. Marking: ATEX II 3G Ex nA IIC T6 Gc for gas and ATEX II 3D Ex tc IIIC T115°C Dc IP65 for dusts. Complete with manual and ATEX CE conformity declaration (available in EN, DE, FR and IT). |
Consult |
|
|
DCATEXMECH | ATEX version for the PLATFORM / LOAD CELL MOUNTING KIT for zone 1/21 (for the load cells ATEX declaration see CCATEX code). Option to be offered only if the platform is ordered without the indicator, otherwise refer to the available certifications for the chosen weight indicator. Provided with safety instructions and ATEX EU declaration of conformity (EN, DE, FR, ES and IT). Includes IP68 connection between platform and weight indicator. |
Consult |
|
|
DCATEXMB4 | ATEX declaration for the whole system with Dini Argeo Zener barriers. Ex II 2G IIC T6 Gb X e Ex II 2D IIIC T125°C Db X system, with label of the whole system, for weight indicator connected to Dini Argeo zener barriers, connected to a mechanical structure with ATEX load cells (each cell must be certified with CCATEX option). Provided with descriptive document of the assembly and ATEX EU declaration of conformity of the assembly (EN and IT). |
Consult |
