Is the website displaying in the correct language? Please confirm or select a different language.
Your region has been set to Italy. Please confirm or select a different region.
1280 with SCT-4XD Integrator Belt/Bulk Material Instrumentation
- 1280 terminal with web server and system configuration menus
- Manage up to four load cells (one scale)
- Dual encoders and outputs for automatic test weight application
- Micro-USB communication port for configuration, diagnostics and data backup (RL Tools Software)
- All data and adjustments of each scale are available through integrated fieldbus (not available on AN models)
- Removable terminal blocks to simplify wiring in the electrical panel
- Power supply circuit with protections, specific for industrial environment
Options
- Fieldbus: EtherNet/IP™, PROFINET IO, Modbus TCP/IP
- Analog output
High-speed Belt Scale Integrator with Web Server
SCT-4XD is a high-speed integrator designed to manage up to four load cells, capable of reading two speed encoders and managing two totalizers.
Paired with the 1280 terminal enhances usability with a resistive touchscreen and intuitive interface for real-time diagnostics and process data. Two operating modes, belt or solid flow metering, offer flexibility for different applications.
The 1280 also features a built-in web server which allows remote connection from anywhere on the network.
1280 with SCT-4XD Specifications
|
Power: Power Consumption: Excitation Voltage: Analog Signal Input Range: Analog Signal Sensitivity: A/D Sample Rate: Resolution: System Linearity |
Digital I/O: Communication Ports: Onboard: Display: |
Keys/Buttons: Temperature: Rating/Material: EMC Immunity: Weight: Warranty: |
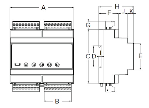
SCT-4XD Dimensions

| Dimensions | |||
|---|---|---|---|
| A | 4.17 in(106 mm) | G | 0.54 in (14 mm) |
| B | 1.77 in (45 mm) | H | 2.28 in (58 mm) |
| C | 3.54 in (90 mm) | I | 0.20 in (5 mm) |
| D | 1.38 in (35 mm) | J | 0.59 in (15 mm) |
| E | 1.77 in (45 mm) | K | 0.39 in (10 mm) |
| F | 1.30 in (33 mm) | ||
SCT-4XD Enclosure Dimensions

| Dimensions | |||
|---|---|---|---|
| A | 10.50 in (267 mm) | C | 13.12 in (333 mm) |
| B | 8.00 in (203 mm) | D | 12.50 in (318 mm) |
| E | 6.26 in (159 mm) | ||
1280 Universal Indicator Dimensions

| Dimensions | |||
|---|---|---|---|
| A | 10.86 in (276 mm) | E | 9.00 in (229 mm) |
| B | 9.00 in (229 mm) | F | 12.50 in (318 mm) |
| C | 9.24 in (235 mm) | G | 5.25 in (133 mm) |
| D | 4.97 in (126 mm) | ||
Resources/Downloads
Articles
| Title | View | Category | Type | |
|---|---|---|---|---|
| Protect Your Belt Scales from Father Winter | Belt Scale Weigh Frames | Articles |
Manuals
| Title | Version | Revision | Download | Category | Archived | |
|---|---|---|---|---|---|---|
| 1280 Belt Scale HMI Operation Manual | D | Download | Conveyor Belt Scales|Belt Scale Components | No | ||
| SCT-4XD Belt Scale Integrator Technical Manual | D | Download | Belt Scale Components|Conveyor Belt Scales | No | ||
| iRite® Programming Language Programmer Manual | S | Download | Indicator Software|Indicators / Controllers|Weight Indicators | No |
Sales Literature
| Title | Collateral Wizard | Request | Download | Category | |
|---|---|---|---|---|---|
| Belt Scale Integrator System 1280 HMI with SCT-4XD | Request | Download | Belt Scale Components | ||
| Belt Scale In-Motion Solutions | Request | Download | Belt Scale Weigh Frames|Bulk Indicators/Controllers | ||
| Belt Scale Buyer's Guide | Request | Download | Belt Scale Weigh Frames|Conveyor Belt Scales|Belt Scale Components |
Parts
| Part # | Description | List Price | Cart/Quote |
|---|---|---|---|
| 228768 | Indicator, 1280 Belt with SCT-4XDAN Digitizer Includes 1280 Universal with 1280 Belt Progam PN 224092, and Digitizer Enclosure PN 226132. |
Consult |
|
| 229090 | Indicator, 1280 Belt HMI Enclosure Wall Mount AC Power Supply US Wall Mount Power Cord Display Type Standard Slot 1 Open Slot 2 Open Slot 3 Open Slot 4 Open Slot 5 Open Slot 6 Open SCT-4XDAN (PN 225171) on DIN rail 24VDC Power Supply on DIN rail |
Consult |
|
| 228928 | Indicator, 1280 Belt HMI Enclosure Wall Mount AC Power Supply Europe Wall Mount Power Cord Display Type Standard Slot 1 Open Slot 2 Open Slot 3 Open Slot 4 Open Slot 5 Open Slot 6 Open SCT-4XDAN (PN 225171) on DIN rail 24VDC Power Supply on DIN rail |
Consult |
Options
| Part # | Description | List Price | Cart/Quote |
|---|---|---|---|
| 228869 | 1280 Belt HMI 7 inch 1280 Universal with Belt HMI Software (PN 224092) |
Consult |
|
| 88792 | Power Supply,IDEC 12VDC DIN Rail Mount, 1.2 Amp, Input: 85 to 264 VAC, 100 to 370 VDC |
Consult |
|
| 119244 | Power Supply,24VDC 1.3A Din Mount Input 90 to 264VAC,120 to 370VDC TDK Lambda DSP30-24 |
Consult |
|
| Consult | 1280 terminal, 7-inch touch screen (only) for panel/surface mount |
Consult |
Related Products

SCT-4XD Integrator Belt/Bulk Material Instrumentation
High-speed digitizer combined with a customizable user terminal provides the next generation of bulk material instrumentation solutions.

Master™ 211 Belt Scale Weigh Frame
Medium to Heavy Capacity - The 211 Master belt scale weigh frame consists of an inner frame mounted in two friction-free pivots, creating a solid weighing frame ideally suited for heavy-duty applications.

Master™ 311 Belt Scale Weigh Frame
Medium to Heavy Capacity - The 311M belt scale weigh frame is often used in dosing belts that can regulate the capacity of a bulk flow using the measured value and a controlled belt speed.

Master™ 221DB Belt Scale Weigh Frame
Medium to Heavy Capacity - The 221DB is suitable for most belt widths and capacities and is ideal in various market segments.

Master™ 421 Belt Scale Weigh Frame
Light Capacity - The 421 Master belt scale weigh frame is specifically designed for high volume, low density applications where belt load and belt speed are moderate.

Master™ 14X Belt Scale Weigh Frame
Medium to Heavy Capacity - The 14X Master belt scale model weighs three idlers on an inner frame that is supported by four load cells, making it the most accurate belt scale in high-capacity, high belt speed applications.